
A pipe tee is also called triplet,three way and "T" pieces and it can be used to either combine or split a fluid flow. Most common are tees with the same inlet and outlet sizes, but 'reducing' tees are available as well.
| Pattern | Welded | Seamless |
| Nominal Size | 1/2” ~ 48” (DN15 ~ DN1200) | 1/2” ~ 20” (DN15 ~ DN500) |
| Wall Thickness | 2 ~ 100mm | 2 ~ 50mm |
| Bend Radius | SCH5S-SCH160, XXS | SCH5S-SCH160 |
Materials:
Carbon Steei:ASTM A234 WPB WPC A105 A106 A53 A283-D APi5LB A671-CC-70 A515-50 A135-A A179-C,etc
Stainless Steel:304/304L, 316/316L, 316Ti, 321, 317L, 310S,etc
Alloy Steel:A335-P1, P2, P5, P11, P12, P22, P91, P92, A369-FP1, P2 A250-T1 A209-T1 A213-T2, T9, T12 A199-T11, T22
Duplex Stainless Steel: S31803(SAF2205), S32750(SAF2507), S31500(3RE60)
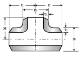
Pipe Tee is a type of pipe ftting which is T-shaped having two outlets, at 90° to the connection to the main line.
Reducing tee
Reducing tee has a branch that is smaller than main run allows for branching off to a smaller pipe of equipment from main run.
Equal tee
Equal tee (or straight tee), means the branch diameter of this tee is same with the main pipe (Run pipe) diameter of this tee.
Lateral Tee
A Lateral pipe tee means a pipe ftting which is similar to a tee but has a side opening outlet branch at a 45 degree angle.
Barred Tee
A barred tee is a tee or any ftting with a branch used in pipelines that is pigged and has a restriction bar welded internally preventing the pig from traveling down a branch connection.
Tel: 86-27-85830098
Phone: 86-18040571878
Email: info@brother-steel.com
Add: Room 1302, Guanggu Ginza, Hongshan District, Wuhan City, Hubei Province, China